Index
LB3600 - CANTO
Ouvrir en version pdf
LB 3601 - CANTO X2
Référence
Désignation
01
02
03
04
05
06
07
08
09
10
11
12
13
14
15
16
17
18
19
20
21
22
23
24
25
26
27
28
29
30
31
32
33
34
35
36
37
38
39
40
41
42
43
44
45
46
47
48
49
50
51
52
53
54
55
56
57
58
59
60
61
62
63
64
65
66
Z254077
Z0V4187
Z254078
Z254076
Z0V3697
Z0V3695
Z98477
Z98305
Z0V3696
Z0V1931
Z0V3694
Z255251
Z987628
Z0V3672
Z92439
Z0V2548
Z254049
Z0V3693
Z97807
Z0V3658
Z0V4107
Z255061
Z255151
Z255338
Z99931
Z255108
Z255577
LAV/66772
Z0V3717
Z254005
Z255372
Z253981
Z253982
Z98800
Z254006
LAV/66770
Z254007
Z254011
Z254012
Z253979
Z254015
Z253973
Z252656

Z253943

Z254013

Z93978      

Z0V2543

Z254008
Z254014
Z253977
Z254048
Z96355

Z96863

Z986614

Z254059
Z253978
Z96977
Z98459
Z254505
Z98833
Z253966
Z254050
Z254052
Z253945
Z252237
Z99931
DISTRIBUTEUR DE GOBELETS D.70-71
EJECTION DES GOBELETS 70/71
UNITE DE DEPLACEMENT GOBELETS
CONTENEUR DE GOBELETS
ENGRENAGE
SUPPORT DE VIS SANS FIN
BAGUE
VIS SANS FIN D.70/71
BAGUE
MICRORUPTEUR 'UL'
SUPPORT MICRORUPTEUR
MOTOREDUCTEUR 3 TR/MIN 230V 50HZ
VIS 30X8
MOTOREDUCTEUR
MICRORUPTEUR -CHERRY
LEVIER DE MICRORUPTEUR
CABLAGE D’UNITE GOBELETS
BASE DE DISTR.DES GOBELETS
BOUTON
COUVERCLE DE CONTENEUR A GOBELETS
BASE DE CONTENEUR
COLONNE GOBELETS
POIGNEE
ENS.COMPARTIMENT DE DISTRIBUTION -CANTO-
BEC D.5
ENS.BALANCIER DE GOBELETS
ACCOUPLEMENT BALANCIER
VIS AUTOTARADEUSE 4X12
VITRE
COMPART.DE DISTRIBUTION DE CELLULE PH.
EQUERRE
GRILLE DE COMPART.DISTRIBUTION
BAC DE COMPART.DE DISTRIBUTION
TUYAU TRANSPARENT-FOURNI AU METRE
BAGUE D’ARRET
SUPPORT DE CUP STATION
BAC DE FERMETURE BECS
CAME DE ROTATION
CAME DE SELECTEUR
COUVERCLE INFERIEUR DE MOTEUR
FERMETURE DE ZONE GOBELETS
BRAS DES GOBELETS 70/71
MOLETTE M5
BAGUE ELASTIQUE
LEVIER DE COUVERTURE GOBELETS
RESSORT D'ACTIONNEUR
RESSORT
ENTRETOISE
LEVIER D'ACCOUPLEMENT
AXE DE DEPLAC.GOBELETS
CABLAGE DE DEPLAC.GOBELETS
MICRORUPTEUR UL
RONDELLE
ECROU A EMBASE M5X0,8
MOTEUR DE DEPLAC.GOBELET
COUVERCLE SUPERIEUR DE MOTEUR
MOLETTE
SERRE-CABLE
DOUILLE DE COULISSEMENT
PARE-CHOCS
SUPPORT DE CELLULE PHOTO.A LED
CABLAGE DE LUMIERE COMP.DE DISTR.
VOYANT DE LUMIERE COMP.DISTRIB.
CARTE D’ALIMENTATION DE VOYANTS
ENTRETOISE
66 100 PROTECTION DE CARTE
  
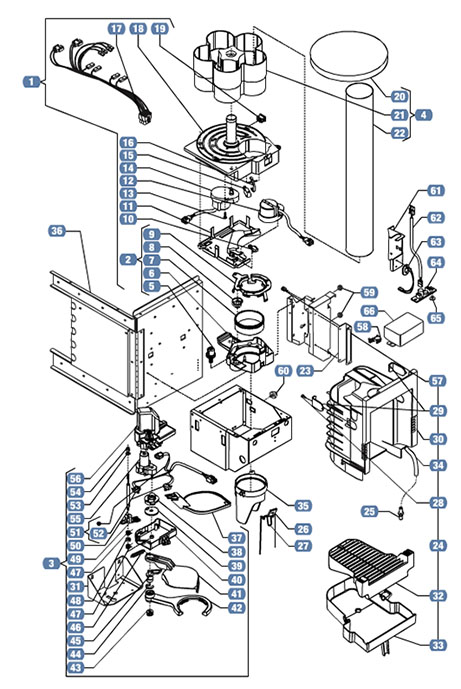
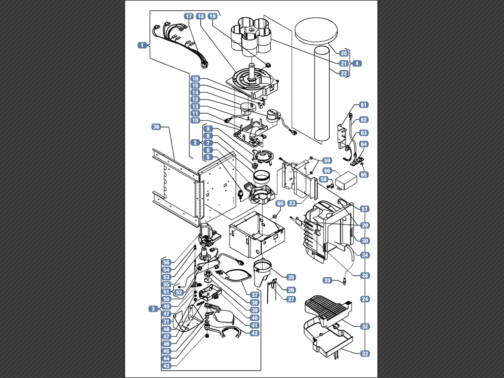
ECLATE TECHNIQUE
LB3601 - Distributeur de gobelets
Agrandir l'image