Index
LB3600 - CANTO
Ouvrir en version pdf
LB 3601 - CANTO X2
Référence
Désignation
01
02
03
04
05
06
07
08
09
10
11
12
13
14
15
16
17
18
19
20
21
22
23
24
25
26
27
28
29
30
31
LAV/63071
LAV/63102
LAV/63101
LAV/63099
Z987628
Z99957
LAV/63100
LAV/63098
Z0V1931
LAV/65432
LAV/63106
LAV/63107
Z251099
LAV/63110
LAV/63108
LAV/63083
Z90148
LAV/63095
Z91959
Z0V1962
LAV/63109
Z92657
Z93832
Z98696
Z98716
LAV/63082
LAV/63103
LAV/63104
LAV/71277
LAV/66738
LAV/65029
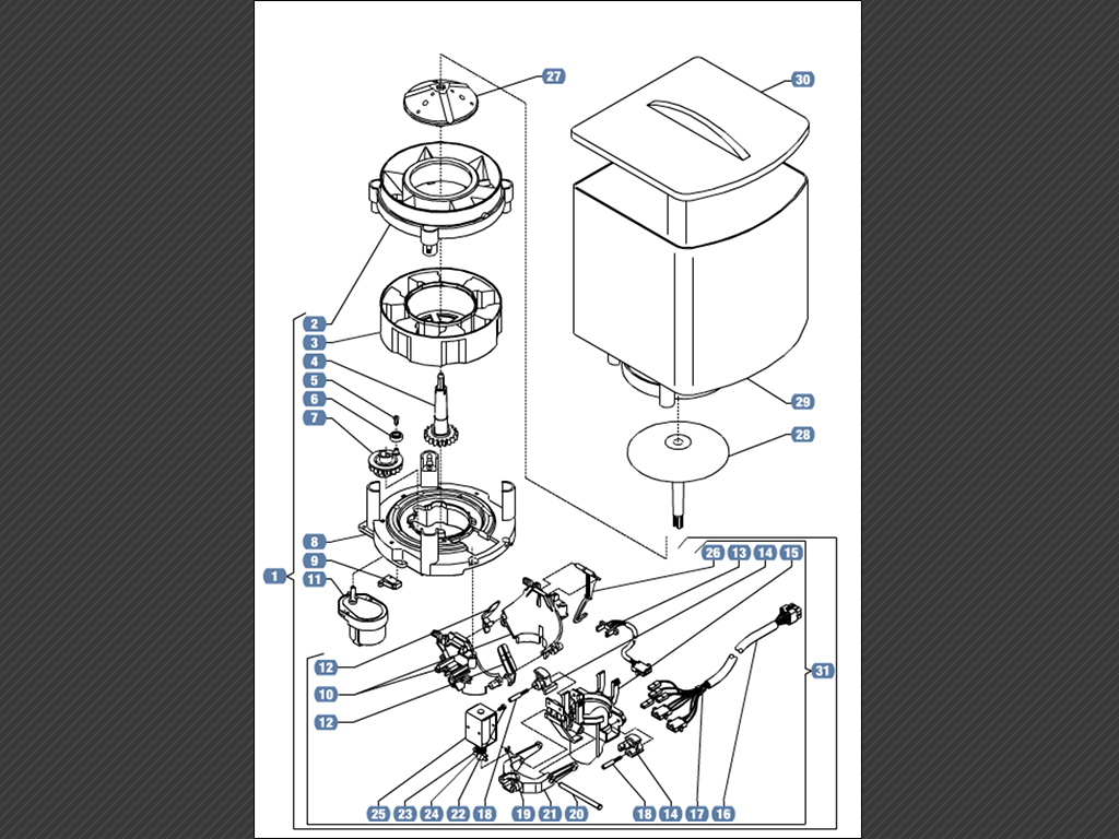
DISTRIBUTEUR DES CAPSULES
SEPARATEUR
DISQUE DE SELECTION DECHARGE
ENGRENAGE D'AXE AGITATEUR
VIS 30X8
ROULEMENT
ENGRENAGE
BASE BAGUE DE DECHARGE
MICRORUPTEUR 'UL'
RACCORD DROIT-GAUCHE
MOTOREDUCTEUR 2 TR/MIN
LEVIER DE CAPSULE
CELLULE PHOTOELECTRIQUE
LEVIER DE CAPSULE
TUYAU
CABLAGE D'EJECTEUR DE CAPSULE
COLLIER
AXE DE LEVIERS D'EJECTION
BAGUE BENZING 4 MM
AXE DE ROUE
LEVIER DE CAPSULE
VIS TAPTITE 3X6
AXE DE BIELLE
RESSORT D'ELECTROAIMANT
ELECTROAIMANT 220V
LEVIER DE CAPTEUR CAPSULE
AGITATEUR DE CONTENEUR
ETRANGLEUR DE CONTENEUR
CONTENEUR A CAPSULES CANTO X2
COUVERCLE DE RECIPIENT CAPSULES
EJECTEUR DE CAPSULE GAUCHE KIKKO/COLIBRl
  
ECLATE TECHNIQUE
LB3601 - Distributeur de capsules
Agrandir l'image